| 索引號 | 000014349/2020-00219 | 分類 | 市政府部門 |
|---|---|---|---|
| 發布機構 | 市民政局 | 發文日期 | 2020-01-03 |
| 文號 | 無 |
本報告是根據《條例》要求,進行編制的2019年度黃石市民政局政府信息公開工作年度報告。全文包括概述、主動公開政府信息情況、政府信息依申請公開情況、因政府信息公開申請行政復議或提起行政訴訟的情況、政府信息公開存在的主要問題及改進情況等。本報告中所列數據的統計期限自2019年1月1日起,至2019年12月31日止。
一、總體情況
根據政府信息公開的有關要求,2019年度,我局認真貫徹《中華人民共和國政府信息公開條例》(以下簡稱《條例》)的各項要求,扎實推進政府信息公開工作:
一是提高認識。深刻認識到信息公開工作是時代發展和政務公開的需求,更是宣傳和展示本單位工作成果的重要抓手,領導班子成員和各科室信息公開意識不斷強化,做好信息宣傳工作的自覺性和主動性不斷增強。
二是規范公開。進一步建立健全了政府信息公開運作機制,加強了主要領導審核、分管領導負責、工作人員具體操作的操作流程,確保了信息公開的規范化、有序化。??
三是內容透明。嚴格按照《國務院辦公廳政府信息公開指南》,主動公開信息的公開范圍、公開形式、公開時限、操作程序等。做到主動公開、程序規范、及時發布。
四是完善渠道。通過黃石市民政局、黃石民政微信公眾號、黃石市政府網以及黃石市政務服務中心等平臺公開信息,渠道通暢。
1、政務公開工作完成情況及成效
2019年度,黃石市民政局網站主動公開政府信息491條,政務微信公開政府信息數337條。
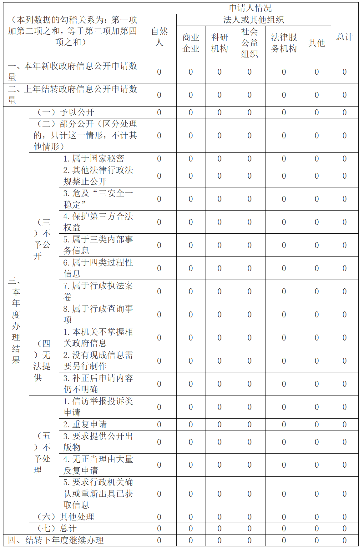
2、依申請公開信息情況
2019年度,黃石市民政局無依申請公開的政府信息。
3、行政復議或提起行政訴訟的情況
2019年度,沒有發生針對黃石市民政局政府信息公開有關的行政復議和行政訴訟。
二、行政機關主動公開政府信息情況

三、行政機關收到和處理政府信息公開申請情況

四、因政府信息公開工作被申請行政復議、提起行政訴訟情況

五、政府信息公開工作存在的問題及改進情況
(一)存在的主要問題
雖然,2019年本單位的政府信息公開工作正常開展,但是離《條例》和社會公眾的要求仍存在距離,主要表現在:公開時效性欠缺、公開內容不夠全面、本單位政務網站與對外平臺缺乏有機整合、個別欄目達不到最新考核標準、網民互動少。
(二)改進措施
一是不斷完善政府信息公開的內容,及時更新政府信息;主動及時向社會公開可以公開的信息,以確保政府信息公開的完整性、全面性和及時性。
二是加大黃石市民政局網站與對外平臺的資源整合力度,做到信息共享。
三是進一步增強領導班子成員及各科室政府信息公開責任意識,及時有效地收集、報送信息,確保應公開信息全部及時、準確地得以公開。
四是政策解讀等欄目要按照最新考核要求,要由單一的文字解讀轉變為“文字+讀圖”形式的解讀。
五是增加欄目互動,能收取網友更多高質量的意見建議。
六、其他需要報告的事項
2019年度,黃石市民政局建議提案辦理公開情況:辦理回復了《市政協第十三屆三次會議第109號提案》、《關于保障困難群體中重癥疾病就醫的提案》、《市十四屆人大四次會議第91號建議》、《市十四屆人大三次會議第92號建議》等。
黃石市民政局
2020年1月3日